Odrodzony: cz.1 v7.64 - Zagadki Północnej Zony


Tytuł Oryginalny: Doppelganger - Загадки северных территорий. 7.64
Platforma: Czyste Niebo 1.5.10
Data Premiery: 14.10.2015r
Autor: Reborn Team

OPIS:

Spoiler

Zagadki Północnej Zony to rozszerzona wersja moda z serii Reborn - Odrodzony: Duplikaty cz.1 v7.63 - Odmienne Światy. Największą zmianą, która została wprowadzona, jest zmieniona rozgrywka oraz start gry.

  • Produkcja jest przeznaczona dla graczy, którzy mieli już doświadczenie z poprzednią wersją 7.63;
  • Należy posiadać 64-bitowy system operacyjny - inaczej mogą pojawić się błędy;

Główne zmiany:

Spoiler
  • Ułatwiono dostęp do Grawiguna oraz Egzoszkieletu Monolit - zostały przeniesione na lokację Rozpadlina;
  • W Szpitaludetonator do wysadzenia zawaliska przeniesiono na pierwsze piętro;
  • Usunięto freeplay;
  • Poprawiono anomalię PSI na Topielach;
  • Zmieniono, dodano lub usunięto niektóre zawartości w plikach moda;

Niektóre mody z serii Reborn doczekały się także polskiej wersji językowej. Należą do niej:

Pozostałe mody z serii Reborn:

SCREENY:

Spoiler

POMOCNICZE SCREENY:

Spoiler

BIAŁORUSKI REZERWAT:

Spoiler

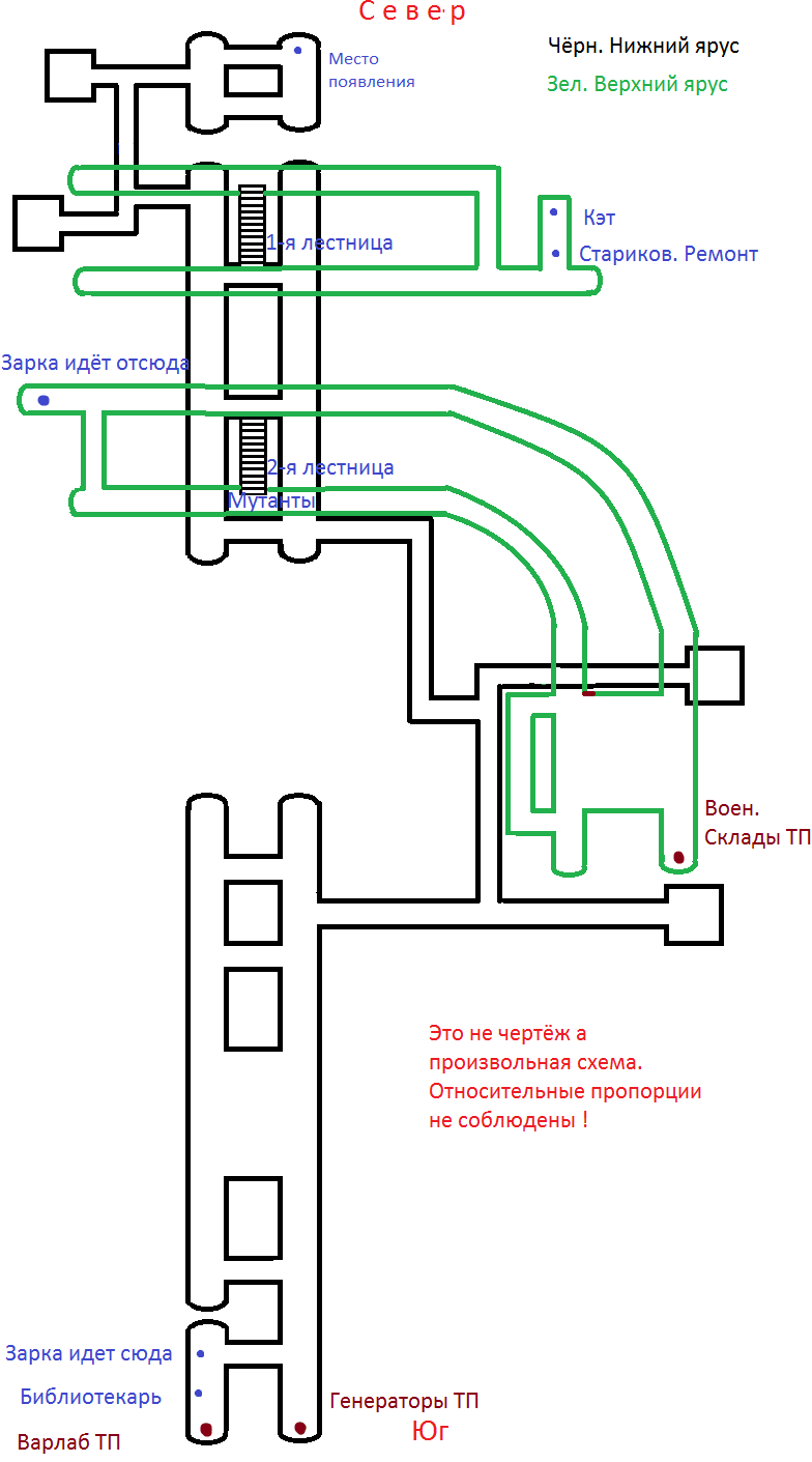
MAPY LOKACJI Z PODPOWIEDZIAMI:

Spoiler

LOKALIZACJA NARZĘDZI DLA TECHNIKÓW:

Spoiler

INSTALACJA:

Spoiler

Poprawna kolejność instalacji:

  • Czyste Niebo 1.5.10
  • Należy usunąć zawartość folderu patches
  • Pobrane i rozpakowane archiwa z modem oraz patchem umieszczamy w głównym katalogu gry
  • Grę uruchamiamy ze skrótu START_DoppelgangER_build

LINKI DO POBRANIA:

Spoiler

Mod:

Patch:

Źródło:

5 polubień

Może mi ktos powiedzieć jak ja mam pobrać tego moda z Yandex? mam napisane że limit pobierania został przekroczony, a link z dysku google nie istnieje

@Sabre3PL założyć konto na yandexie, pobrać na swój dysk, a stamtąd na kompa.

@Sabre3PL a w ogóle wiesz w co się pakujesz? To są poschizowane i dziwaczne mody, no i ten to nie jest pierwsza część. Uproszczona jedynka to Reborn FF Artefakty śmierci.

Sabre3PL:

mod:

https://disk.yandex.ru/d/M5ubbJ6M4zckTQ

pacz:

https://disk.yandex.ru/d/-zHPuqId84ofQw?w=1

10 godzin temu, tom3kb napisał(a):

@Sabre3PL założyć konto na yandexie, pobrać na swój dysk, a stamtąd na kompa.

@Sabre3PL a w ogóle wiesz w co się pakujesz? To są poschizowane i dziwaczne mody, no i ten to nie jest pierwsza część. Uproszczona jedynka to Reborn FF Artefakty śmierci.

Oj nie wiem, ale pamiętam że kiedyś grałem w Stalker Soup albo jakos inaczej się to nazywało, po rosyjsku, też mnie ciekawi ile części tego jest, narodnaja solyanka chyba… a ten modzik to po prostu chce sprawdzić, wróciło mi się do stalkera przy okazji grania w True Stalker.
Też mam problem z pobraniem tego, gdy klikam zółty przycisk, jest napisane że potrzebuje premium
EDIT: Dobra ogarnąłem xD przepraszam za lekki spam

@Sabre3PL

Mamy na forum Stalkersoup, ale to jest jakby angielska wersja NS. Nie jestem aż takim fanem NS lub OP - który “bazuje” na NS z 2010 r, aby zgłębiać się w ich odmienne wersje, ale Stalkersoup to po prostu Solianka z innymi teksturami oraz “pobocznymi” bajerami. Na pewno Stalkersoup zostało wzbogacone o jakieś inne dodatki związane z kolejnymi zadaniami - możliwe, że o Narodnaja Solianka 2010 DMX Mod lub coś w tym stylu.

Natomiast dziwi mnie fakt, że zainteresowałeś się serią Reborn, która… No, jest bardzo specyficzna. Delikatnie mówiąc. Najlepiej zacząć od Artefaktów śmierci. Generalnie mamy w swoim zbiorze kilka modów z serii Reborn, które doczekały się polskiej wersji językowej.